SHOWA SOKKI / RTB Tension Load Cell

Coaxial beam type, Attached Rod-end, General Purpose

브랜드:

설명

RTB Tension Load Cell

Features

  • High reliability. For versatile applications.
  • Most suitable for use in materials testing machines.
  • Abundant sales achievements. Low cost.
  • Wide capacity ranges (50N to 5kN).
  • Supplied with a rod-end attachment for tension use.
  • Accuracy class: 0.15%.

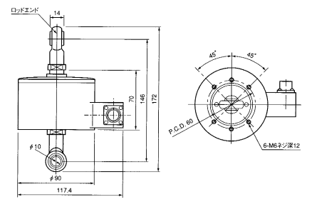
Appearance Dimensions

Model and Capacity / Dimension / etc. (unit : mm)

Model Capacity Natural frequency Weight
RTB-50N 50 N 0.01 kHz 2.3 kg
RTB-100N 100 N 0.02 kHz 2.3 kg
RTB-200N 200 N 0.03 kHz 2.3 kg
RTB-500N 500 N 0.04 kHz 2.3 kg
RTB-1KN 1 kN 0.06 kHz 2.3 kg
RTB-2KN 2 kN 0.08 kHz 2.5 kg
RTB-5KN 5 kN 0.15 kHz 2.5 kg

Specifications

Safe Overload 150 %R.C.
Rated Output 1.5 mV/V±1 %
Nonlinearity 0.15 %R.O.
Hysteresis 0.15 %R.O.
Repeatability 0.1 %R.O.
Excitation Voltage 10 V 以内
Safe Excitation Voltage 15 V
Input Rsistance 350 Ω
Output Rsistance 350 Ω
Compensated Temp.Range -10~60 ℃
Safe Temp.Range -30~80 ℃
Temp.Effect on Zero 0.01 %R.O./℃
Temp.Effect on Output 0.01 %/℃
Attached connector Receptacle / PRC03-21A10-7F
Attached cable L-A-5、 (Refer to transducer connections)

REMARKS: Load cells of this Model can also be applied to a compression use although Model RTB load cells of standard version are supplied with a calibration data sheet treating data to tension direction only. We can say from our back data of this Model that its tension sensitivity and compression sensitivity are almost the same each other, namely, within 0.2 %, but we can willingly effect a compression load test to this Model whenever necessary on extra cost.

상품평

아직 상품평이 없습니다.

“SHOWA SOKKI / RTB Tension Load Cell”의 첫 상품평을 남겨주세요