SHOWA SOKKI / SH Tension & Compression Load Cell

 Shear beam type,Small,General Purpose

 

브랜드:

설명

SH Tension & Compression Load Cell

Features

  • Conforming to wide range rated capacities (1N to 10MN).
  • Combining inspection data on both tension and compression directions.
  • Freely installable (screws and flanges are fixed to the load cell body).
  • Experience in the supply of 10000 or more units allows us to be proud of its highreliability.
  • Superior in resistance against deflective load and in fatigue life.
  • Widely used in fatigue testing machines and industrial testing machines.
  • Can supply special load cells with high accuracy against specific orders placed specifying center hole specifications (or hole diameters).

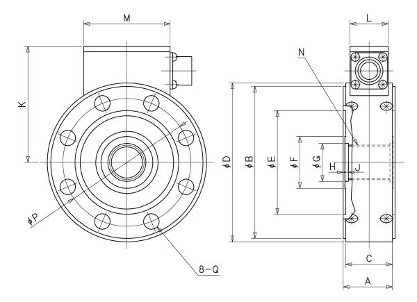
Appearance Dimensions

Model and Capacity / Dimension / etc. (unit : mm)

Model Capacity A B C D E F G(H7) H J K L M N P Q Natural frequency Weight
SH-1KN 1kN 25 65 22 70 41 18 14 0.5 2 55 22 50 M12×1 52 8-Φ6.5 6.5 kHz 0.6 kg
SH-2KN 2kN 25 65 22 70 41 18 14 0.5 2 55 22 50 M12×1 52 8-Φ6.5 8.0 kHz 0.6 kg
SH-5KN 5kN 25 65 22 70 41 18 14 0.5 2 55 22 50 M12×1 52 8-Φ6.5 11kHz 0.6 kg
SH-10KN 10kN 25 65 22 70 41 18 14 0.5 2 55 22 50 M12×1 52 8-Φ6.5 16 kHz 0.6 kg
SH-20KN 20kN 30 65 22 70 41 18 14 0.5 2 55 22 50 M12×1 52 8-Φ6.5 21 kHz 0.7 kg
SH-50KN 50kN 30 88 27 92 60 30 22 1 2 67 22 50 M20×1.5 74 8-Φ9.0 18 kHz 1.1 kg
SH-100KN 100kN 34 117 31 121 82 46 34 1 2 81 22 50 M32×2 100 8-Φ11 16 kHz 2.2 kg
SH-200KN 200kN 50 166 116 60 44 1 2 117 40 70 M40×2 142 8-Φ17 12 kHz 6.0 kg
SH-500KN 500kN 70 256 182 98 75 2 2 165 40 70 M70×2 217 8-Φ25 8.9 kHz 22 kg

※The clearance tolerance of “G” comes to “H7”.
※Confirmation to undescribed items to be made with reference to descriptions on instruction manuals or directly to this Company.
※Items with Marks (※1) are produced only on order placed.
※Refer to this Company for dimensions, etc. of the items exceeding “1MN” in rated capacities.

Specifications

Safe Overload 150 %R.C.
Rated Output 0.75 mV/V±1 %(1 kN)
1.0 mV/V±1 %(2 kN)
1.5 mV/V±1 %(5 kN~1 MN)
Nonlinearity 0.15 %R.O.
Hysteresis 0.15 %R.O.
Nonrepeatability 0.1 %R.O.
Excitation Voltage 12 V 以内
Safe Excitation Voltage 20 V
Input Resistance 350 Ω
Input Resistance 350 Ω
Compensated Temp.Range -10~60 ℃
Safe Temp.Range -30~80 ℃
Temp.Effect on Zero 0.01 %R.O./℃(1 kN,2 kN)
0.005 %R.O./℃(5 kN~1 MN)
Temp.Effect on Output 0.01 %/℃
Connector(on body) PRC03-21A10-7F
Attached cable  L-A-5

상품평

아직 상품평이 없습니다.

“SHOWA SOKKI / SH Tension & Compression Load Cell”의 첫 상품평을 남겨주세요