설명
SHE-LH Tension & Compression Load Cell
Features
- Suitable for use at high and low temperatures (-40 to 150℃)
- All stainless steel construction (SUS630).
- Supplied with an inspection data sheet in both tension and compression directions.
- Easy to treat because of its larger freedom in the mounting.
- Excellent in deflection proof and fatigue proof features.
- Accuracy class : 0.05%.
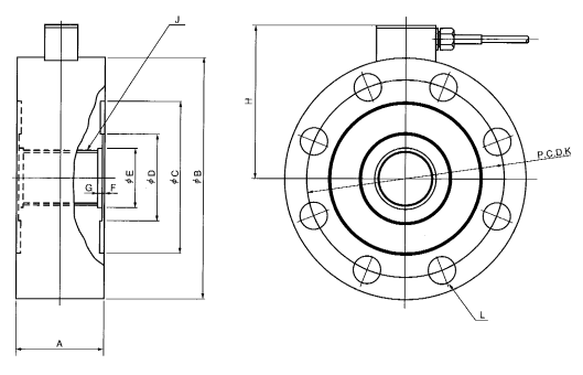
Appearance Dimensions

Model and Capacity / Dimension / etc. (unit : mm)
| Model | Capacity | A | B | C | D | E | F | G | H | J | K | L | M | N | Natural frequency | Weight |
|---|---|---|---|---|---|---|---|---|---|---|---|---|---|---|---|---|
| SHE-5KNLH | 5 kN | 40 | 105 | 65 | 35 | 20 | 1 | 3 | 77 | 25 | 50 | M18×1.5 | 85 | 8-Φ9 | 3.5 kHz | 2.2 kg |
| SHE-10KNLH | 10 kN | 40 | 105 | 65 | 35 | 20 | 1 | 3 | 77 | 25 | 50 | M18×1.5 | 85 | 8-Φ9 | 5.0 kHz | 2.2 kg |
| SHE-20KNLH | 20 kN | 40 | 105 | 65 | 35 | 20 | 1 | 3 | 77 | 25 | 50 | M18×1.5 | 85 | 8-Φ9 | 7.6 kHz | 2.2 kg |
| SHE-50KNLH | 50 kN | 50 | 120 | 74 | 40 | 26 | 1 | 4 | 86 | 25 | 50 | M24×1.5 | 95 | 8-Φ11 | 8.8 kHz | 3.7 kg |
| SHE-100KNLH | 100 kN | 65 | 160 | 100 | 60 | 40 | 1 | 5 | 108.5 | 30 | 55 | M36×2 | 130 | 8-Φ18 | 7.0 kHz | 8.5 kg |
| SHE-200KNLH | 200 kN | 80 | 220 | 140 | 80 | 55 | 1 | 5 | 140.5 | 30 | 55 | M50×2 | 180 | 8-Φ26 | 5.6 kHz | 20 kg |
※The clearance tolerance of “E” comes to “H7”.
※Confirmation to undescribed items to be made with reference to descriptions on instruction manuals or directly to this Company.
※Items are produced only on order placed.
Specifications
| Safe Overload | 150 %R.C. |
|---|---|
| Rated Output | 2 mV/V |
| Nonlinearity | 0.2 %RO |
| Hysteresis | 0.2 %RO |
| Repeatability | 0.1 %RO |
| Excitation Voltage | 10 V 以内 |
| Safe Excitation Voltage | 15 V |
| Input Rsistance | 350 Ω |
| Output Rsistance | 350 Ω |
| Compensated Temp.Range | -40~150 ℃ |
| Safe Temp.Range | -40~180 ℃ |
| Temp.Effect on Zero | 0.02 %R.O./℃ (20~150 ℃) |
| 0.05 %R.O./℃ (-40~20 ℃) | |
| Temp.Effect on Output | 0.05 %/℃ |
| Cable | Φ6mm-4wire shielded heat-resistant cable, length : 5m |


상품평
아직 상품평이 없습니다.