설명
SHE Tension & Compression Load Cell
Features
- Coping with a wide range of capacities (From 5kN to 1 MN).
- Supplied with an inspection data sheet in both tension and compression directions.
- Easy to treat because of its larger freedom in the mounting.
- Excellent in deflection proof and fatigue proof features.
- Widely installed on fatigue testing and industrial machines.
- Reaching an accuracy class of 0.05% (excluding certain rated capacities).
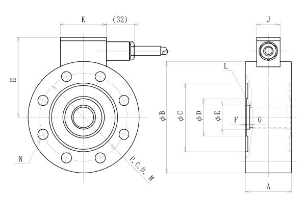
Appearance Dimensions

Model and Capacity / Dimension / etc. (unit : mm)
| Model | Capacity | A | B | C | D |
E(H7) |
F | G | H | J | K | L | M | N | Natural frequency | Weight |
|---|---|---|---|---|---|---|---|---|---|---|---|---|---|---|---|---|
| SHE-5KN | 5 kN | 40 | 105 | 65 | 35 | 20 | 1 | 3 | 77 | 25 | 50 | M18×1.5 | 85 | 8-Φ9 | 3.5 kHz | 2.2 kg |
| SHE-10KN | 10 kN | 40 | 105 | 65 | 35 | 20 | 1 | 3 | 77 | 25 | 50 | M18×1.5 | 85 | 8-Φ9 | 5.0 kHz | 2.2 kg |
| SHE-20KN | 20 kN | 40 | 105 | 65 | 35 | 20 | 1 | 3 | 77 | 25 | 50 | M18×1.5 | 85 | 8-Φ9 | 7.6 kHz | 2.2 kg |
| SHE-50KN | 50 kN | 50 | 120 | 74 | 40 | 26 | 1 | 4 | 86 | 25 | 50 | M24×1.5 | 95 | 8-Φ11 | 8.8 kHz | 3.7 kg |
| SHE-100KN | 100 kN | 65 | 160 | 100 | 60 | 40 | 1 | 5 | 108.5 | 30 | 55 | M36×2 | 130 | 8-Φ18 | 7.0 kHz | 8.5 kg |
| SHE-200KN | 200 kN | 80 | 220 | 140 | 80 | 55 | 1 | 5 | 140.5 | 30 | 55 | M50×2 | 180 | 8-Φ26 | 5.6 kHz | 20 kg |
| SHE-500KN* | 500 kN | 100 | 330 | 200 | 135 | 90 | 2 | 7 | 203.5 | 40 | 70 | M85×2 | 265 | 8-Φ33 | 5.9 kHz | 54 kg |
| SHE-1MN* | 1 MN | 140 | 460 | 280 | 190 | 115 | 2 | 7 | 270 | 40 | 70 | M110×3 | 370 | 16-Φ33 | 3.3 kHz | 150 kg |
※The clearance tolerance of “E” comes to “H7”.
※Confirmation to undescribed items to be made with reference to descriptions on instruction manuals or directly to this Company.
※Items with Marks (*) can be built only on order.
Specifications
| Safe Overload | 150 %R.C. |
|---|---|
| Rated Output | 2 mV/V±1 % |
| Nonlinearity | 0.05 %R.O.(5 kN~200 kN) |
| 0.15 %R.O.(500 kN,1 MN) | |
| Hysteresis | 0.1 %R.O.(5 kN~200 kN) |
| 0.15 %R.O.(500 kN,1 MN) | |
| Repeatability | 0.03 %R.O.(5 kN~200 kN) |
| 0.1%R.O.(500kN,1MN) | |
| Excitation Voltage | 12 V 以内 |
| Safe Excitation Voltage | 20 V |
| Input Rsistance | 350 Ω |
| Output Rsistance | 350 Ω |
| Compensated Temp.Range | -10~60 ℃ |
| Safe Temp.Range | -30~80 ℃ |
| Temp.Effect on Zero | 0.005 %R.O./℃ |
| Temp.Effect on Output | 0.01 %/℃ |
| Cable | Φ8mm-4wire shielded cable, length : 5m |
| Attached connector | PRC03-12A10-7M |


상품평
아직 상품평이 없습니다.