설명
SHU-A Tension & Compression Load Cell
Features
- High-precision tensile and compression type
- Inert gas-filled, fully sealed welded construction
- Excellent eccentricity and fatigue resistance characteristics
- Widely used in fatigue testing machines and industrial machinery
- Accuracy class: 0.03 %
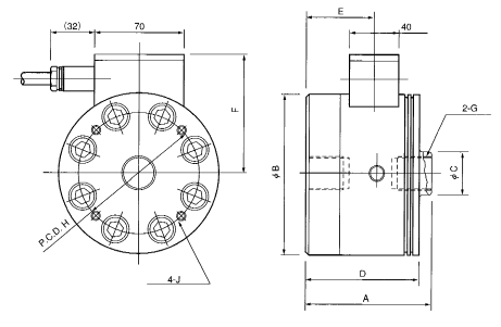
Appearance Dimensions

Model and Capacity / Dimension / etc. (unit : mm)
| Model | Capacity | A | B | C | D | E | F | G | H | J | Natural frequency | Weight |
|---|---|---|---|---|---|---|---|---|---|---|---|---|
| SHU-10KNA | 10 kN | 80 | 100 | 22 | 72 | 42 | 78 | M12×1.75depth20 | 80 | M8深12 | 6.0 kHz | 3.2 kg |
| SHU-20KNA | 20 kN | 80 | 100 | 22 | 72 | 42 | 78 | M16×2depth20 | 80 | M8深12 | 8.6 kHz | 3.2 kg |
| SHU-50KNA | 50 kN | 95 | 125 | 34 | 85 | 52 | 94 | M24×2depth30 | 95 | M8深15 | 6.4 kHz | 6.8 kg |
| SHU-100KNA | 100 kN | 135 | 160 | 48 | 120 | 75 | 114 | M36×2depth45 | 120 | M8深15 | 5.9 kHz | 16 kg |
| SHU-200KNA | 200 kN | 175 | 200 | 65 | 155 | 100 | 136 | M48×3depth60 | 160 | M8深15 | 4.9 kHz | 34 kg |
| SHU-500KNA | 500 kN | 270 | 310 | 105 | 250 | 165 | 192 | M80×3depth90 | 230 | M16深30 | 4.0 kHz | 135 kg |
| SHU-1MNA | 1 MN | 330 | 400 | 150 | 310 | 210 | 239 | M110×4depth110 | 300 | M16深40 | 3.5 kHz | 280 kg |
※Test reports for rated capacities of 200 kN, 500 kN and 1 MN are for compression calibration data only. (Tensile data is available on request).
※For confirmation of items not listed, please refer to the operating instructions or contact the company.
※All products are made to order.
Specifications
| Safe Overload | 150 %R.C. |
|---|---|
| Rated Output | 2 mV/V±1 % |
| Nonlinearity | 0.03 %R.O. |
| Hysteresis | 0.03 %R.O. |
| Repeatability | 0.02 %R.O. |
| Excitation Voltage | 12 V 以内 |
| Safe Excitation Voltage | 20 V |
| Input Rsistance | 350 Ω |
| Output Rsistance | 350 Ω |
| Compensated Temp.Range | -10~60 ℃ |
| Safe Temp.Range | -30~80 ℃ |
| Temp.Effect on Zero | 0.002 %R.O./℃ |
| Temp.Effect on Output | 0.002 %/℃ |
| Cable | Φ8 mm – 6-conductor shielded cable 5 m, bare end |


상품평
아직 상품평이 없습니다.