UTILCELL / Model 730 / 압축형 로드셀

용량:30t, 40t
재질 : Stainless Steel
타입 : compression
보호등급 : IP68/IP69K

설명

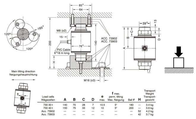
Models

730-30t, 730-40t

Features

 Compression load cell, selfcentering column
 4000 divisions OIML R60 class C
 Simple to install
 Stainless Steel construction
 Hermetically welded, protection class
IP 68 (EN 60529) and IP 69K (ISO 20653)
 Pre-corner adjustment optimized for
multicell systems
 Lightning protection
 Applications: High capacity weighing
systems, truck scales

Dimensions

Specifications

상품평

아직 상품평이 없습니다.

“UTILCELL / Model 730 / 압축형 로드셀”의 첫 상품평을 남겨주세요