설명
Model F3831 Shear beam
For rated loads up to 10,000 kg
The model F3831 shear beam is suitable for static and dynamic measuring requirements in both tension and compression force direction. It serves for determining shear forces or weights in diverse application areas.
This shear beam is used in industrial weighing and laboratory technology, and also in the process industry, and features high measurement accuracy. By mounting on one or more model F3831 shear beams, platforms, tanks and vessels can be weighed very precisely.
Various load feet and mounting kits are available for mounting or attachment to the base.
Depending on the application, corresponding approvals are available.
The material of the measuring body is optionally steel or stainless steel. An mV/V signal is available as a standard output signal, which can be amplified to an analogue signal using a cable amplifier or summed via a junction box.
A junction box with up to four inputs is available for combining several shear beams.
The measured weight can be displayed using a weighing indicator.
In combination with the model NETRIS®F radio unit, the measured values of the instrument can be transmitted wirelessly. This radio unit can be used to realise solutions for web-based remote monitoring.
Specifications
| Basic information | |
| Standard | In accordance with directive VDI/VDE/DKD 2638 |
| Material of the measuring body | ■ Steel ■ Stainless steel |
| Measuring element | |
| Type of measuring element | Strain gauge |
| Working range | Determination of shear forces or weights in tension or compression force direction |
| Input resistance Re | 385 ±10 Ω |
| Output resistance Ra | 350 ±5 Ω |
| Accuracy specifications | |
| Relative linearity error dlin | ± 0.03 % Fnom |
| Relative repeatability error in unchanged mounting position brg | ± 0.03 % Fnom |
| Relative reversibility error v | ± 0.03 % Fnom |
| Relative creep, 30 min at Fnom | ± 0.03 % Fnom |
| Relative deviation of zero signal dS,0 | ±2 % Fnom |
| Temperature effect on zero signal TC0 | ≤ ±0.025 % / 10 K |
| Temperature effect on characteristic value TCC | ≤ ±0.025 % / 10 K |
| Rated load Fnom | |
| kg | lb |
| 250 | 551 |
| 500 | 1,102 |
| 750 | 1,653 |
| 1,000 | 2,204 |
| 1,500 | 3,306 |
| 2,000 | 4,409 |
| 2,500 | 5,511 |
| 3,000 | 6,613 |
| 5,000 | 11,023 |
| 7,500 | 16,534 |
| 10,000 | 22,046 |
| Further details on the rated load | |
| Force limit FL | 150 % Fnom |
| Breaking force FB | 200 % Fnom |
| Output signal | |
| Rated characteristic value Cnom | 2.0 ±0.02 mV/V |
| Supply voltage UB | DC 5 … 10 V (max. 15 V) |
| Electrical connection | ||
| Connection type | Cable | |
| Cable diameter | ≤ 5 t [11,023 lb] | 5 mm [0.197 in] |
| > 5 t [11,023 lb] | 6 mm [0.236 in] | |
| Cable length | 6,000 mm [236 in] | |
| Insulation resistance Ris | ≥ 5,000 MΩ / DC 100 V | |
| Material | PVC | |
Pin assignment
For products with raw signals (mV/V)
| Signal | Cable colour | |
| Exc+ | Supply voltage + | Red |
| Exc- | Supply voltage – | Black |
| Sig+ | Signal + | Green |
| Sig- | Signal – | White |
| Shield | Shield | Green-yellow |

| Operating conditions | |
| Rated temperature range BT, nom | -10 … +40 °C [14 … +104 °F] |
| Operating temperature range BT, G | -20 … +80 °C [-4 … +176 °F] |
| Ingress protection per IEC/EN 60529 | IP67/IP68 |
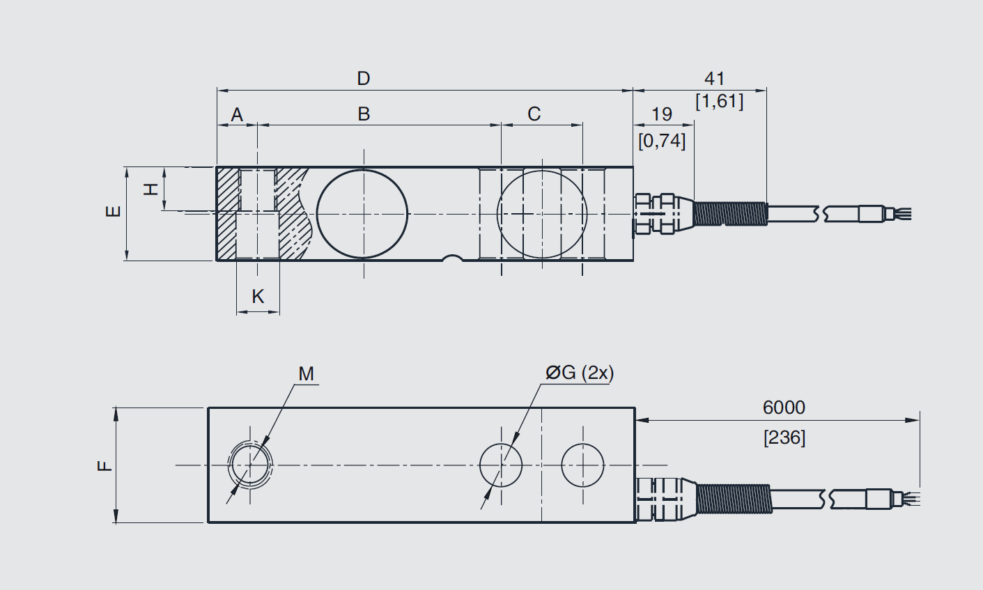
Dimensions in mm [in]

| Rated load in kg | Dimensions in mm | Weight in kg | |||||||||
| A | B | C | D | E | F | ∅G | H | ∅K | M | ||
| 250 … 2,500 | 12.7 | 76.2 | 25.4 | 130 | 31.8 | 31.8 | 13 | 15.7 | 13.5 | M12 x 1.75 | 1 |
| 3,000, 5,000 | 19 | 95.3 | 38.1 | 171.5 | 38.1 | 38.1 | 20 | 26 | 20 | M18 x 1.5 | 1.9 |
| 7,500, 10,000 | 25.3 | 124 | 50.8 | 225.5 | 50.8 | 50.8 | 27 | 25.4 | 27 | M24 x 2 | 4.5 |
| Rated load in lb | Dimensions in inch | Weight in lb | |||||||||
| A | B | C | D | E | F | ∅G | H | ∅K | M | ||
| 551 … 5,511 | 0.5 | 3 | 1 | 5.11 | 1.25 | 1.25 | 0.51 | 0.61 | 0.53 | M12 x 1.75 | 2.4 |
| 6,613, 11,023 | 0.74 | 3.75 | 1.5 | 6.75 | 1.5 | 31.5 | 0.78 | 1.02 | 0.78 | M18 x 1.5 | 4.18 |
| 16,534, 22,046 | 0.99 | 4.88 | 2 | 8.87 | 2 | 2 | 1.06 | 1 | 1.06 | M24 x 2 | 9.92 |


상품평
아직 상품평이 없습니다.